Genuine BMW
SKU:
BMW-34326755119
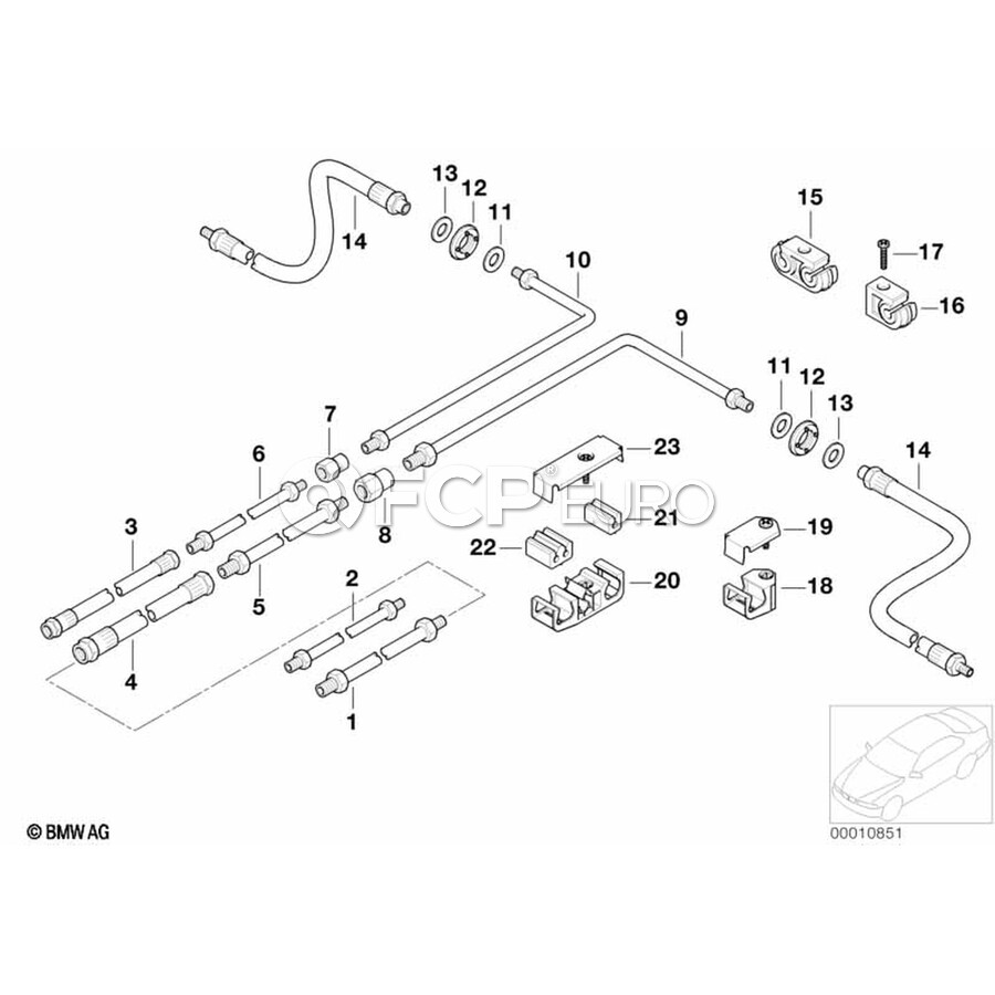
BMW Pipe (M10-M101244mm) - Genuine BMW 34326755119
740i, 740iL, 750iL
Position 6 in the Diagram
Price each:
$30.89
Core charges are assigned to parts that have reusable components by manufacturers to encourage the return of the used units. Once you return the old part you will be refunded for your core charge, details regarding the return will be emailed to you once you place the order.
Note: The customer is responsible for the cost of return shipping.
QTY
Make sure this fits your car
To ensure fitment and browse only products that fit, please select a vehicle first.
/large-Website_Banner_Merch_Launch_2098x250.jpg)