Genuine BMW
SKU:
BMW-51743418253
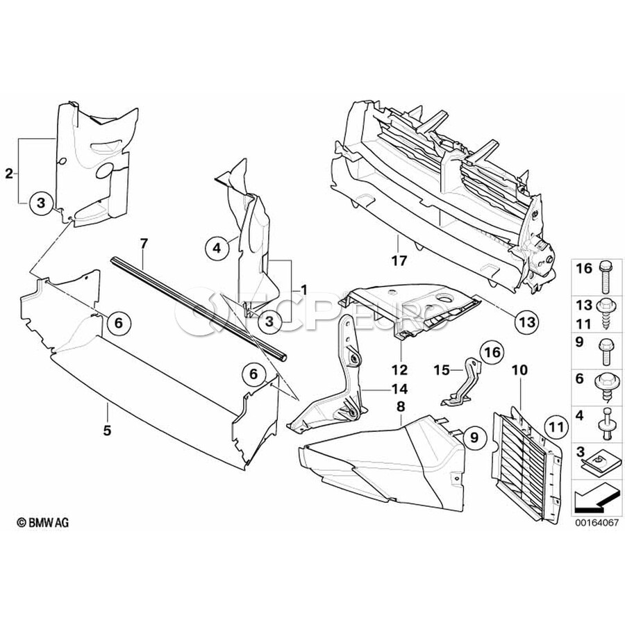
BMW Front Air Duct (M) - Genuine BMW 51743418253
X3
Position 8 in the Diagram
Price each:
$69.99
Core charges are assigned to parts that have reusable components by manufacturers to encourage the return of the used units. Once you return the old part you will be refunded for your core charge, details regarding the return will be emailed to you once you place the order.
Note: The customer is responsible for the cost of return shipping.
Thanks for signing up!
We will let you know when this product is back in stock.
Make sure this fits your car
To ensure fitment and browse only products that fit, please select a vehicle first.
/large-Website_Banner_Merch_Launch_2098x250.jpg)